Cuma, 24 Nisan 2026
ÜRÜNLER
KONVEYÖR
ALÜMİNYUM BAĞLANTI ELEMANLARI
PLASTİK BAĞLANTI ELEMANLARI
RULO BAŞLIKLARI
SİGMA PROFİL
LİNEER SİSTEMLER
DİNAMİK RAF
YENİ ÜRÜNLER
UYGULAMALAR
Alüminyum Sigma Profil Uygulamaları
Konveyör Uygulamaları
SERVİS
KURUMSAL
İLETİŞİM
KONVEYÖR
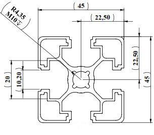
45 X 45B Ağır Sigma Profil
4.8/
5
derecelendirme (12 oy)
Bu ürünü paylaş
Tweet
Stok Kodu
Malzeme
Boy
Kütle
Kanal Açıklığı
Atalet Momenti
Mukavemet Momenti
Wy
Wx
Ly
Lx
KM.4545B
EN AW 6060 T66 (AlMgSi0,5 F22)
6 Mt.
1,640 kg/mt
10 mm
5,636 cm
³
5,636 cm
³
12,682 cm
⁴
12,682 cm
⁴
Diğer ürünler
30 X 30 Sigma Profil
Ürün Detayı
30 X 60 Sigma Profil
Ürün Detayı
35 X 35 Sigma Profil
Ürün Detayı
35 X 70 Sigma Profil
Ürün Detayı
40 X 40 Sigma Profil
Ürün Detayı
40 X 80 Sigma Profil
Ürün Detayı
45 X 45 Hafif Sigma Profil
Ürün Detayı
45 X 45 M16 Sigma Profil
Ürün Detayı
45 X 90 Sigma Profil
Ürün Detayı
45 X 135 Sigma Profil
Ürün Detayı
45 X 180 Sigma Profil
Ürün Detayı
66 X 98 Makaralı Zincir Profili
Ürün Detayı
16 X 77 Makaralı Zincir Profili
Ürün Detayı
23 X 129 Konveyör Profili
Ürün Detayı
15 X 120 Tabla Profili
Ürün Detayı
22,5 X 180 Tabla Profili
Ürün Detayı
90 X 90 Sigma Profil
Ürün Detayı
90 X 180 Sigma Profil
Ürün Detayı
35 X 35 Ağır Sigma Profil
Ürün Detayı
90'lık Özel Ayak Profili
Ürün Detayı
45'lik Özel Ayak Profili
Ürün Detayı
Tel 0 (212) 578 05 10
/* */